4桶voc釋放量氣候艙用于檢測塑膠、地板、家具、汽車內飾等材料中甲醛和揮發性有機化合物(VOC)釋放量的試驗設備。氣候艙采用4個獨立的氣候箱,也可根據樣品數量不同,設計2艙、6艙、8艙等工位。可同時對不同樣品進行測試,提高檢測效率,控制溫度、濕度及換氣率,符合ISO、GB、ASTM等標準。
技術參數:
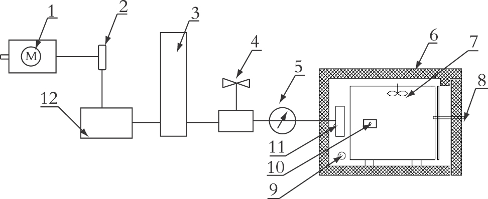
系統組成:
4桶voc釋放量氣候艙選用了由化學惰性材料制成的可用于測試建筑材料污染物釋放量的密閉艙體, 其由密封艙、空氣過濾器、空氣溫濕度調節控制及監控系統、流量調節控制裝置、空氣采樣系統等部分組成,容積為60 L。結構示意圖如下圖所示。
1—空氣泵;
2—精密空氣過濾器;
3—濕度發生器;
4—流量控制閥;
5—氣體流量計;
6—環境測試艙體;
7—循環風扇;
8—空氣采樣及排氣系統;
9—控溫裝置;
10—溫濕度記錄儀;
11—氣體分配閥;
12—VOC 過濾器
產品特點:
1.四個艙體可獨立控制,在保證溫濕度、風速、空氣置換率精確的同時,實現批量或多樣品對比測試。
2.完全滿足國標中規定的本底濃度要求:23℃條件下,甲醛本底濃度≤0.006mg/m3,TVOC本底濃度≤0.02mg/m3,單體VOC本底濃度≤0.002mg/m3。
3.較低的能耗,充分利用制冷系統排氣余熱對恒溫系統平衡調控,SCR無級性風量調節循環風速,實現較低的運行功率。響應國家節能環保的號召。
4.快速高效的脫附系統,節省脫附時間提高設備的使用效率。
5.更潔凈的空氣發生裝置,使得本底濃度低于國標要求。
如有4桶voc釋放量氣候艙的選型疑問,可以咨詢環儀儀器相關技術人員。












